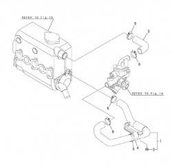
Ne pourrait on pas créer un tuto pour nos moteurs?! Je vais essayer de creuser parce que laisser cette somme couplée à l’entretien de vidange, ça fait presque 800€ l’histoire...

mikael35 a écrit:Bonjour, je viens d’avoir un devis pour l’histoire: ca n’est pas donné!!! 320€...![]()
Ne pourrait on pas créer un tuto pour nos moteurs?! Je vais essayer de creuser parce que laisser cette somme couplée à l’entretien de vidange, ça fait presque 800€ l’histoire...







J'ai terminé tard hier soir le nettoyage et je voulais faire le tuto à chaud avant de quitter le bateau.
J'aurais une suggestion... deux animateurs du forum ont réussi cette opération, on pourrait envisager un séminaire ayant pour thème l'entretien et cette opération en particulier.



Utilisateurs parcourant ce forum: Aucun utilisateur enregistré et 1 invité